info@qilowatt.lv I +372 5300 4470




Viedais plūsmas mērītājs 3EM
264,26 €
8 in stock
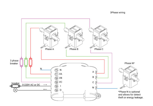
Viedais automātiskais slēdžs 3EM ļauj kontrolēt trīs fāžu strāvas patēriņu un izmantot releju, lai pārslēgtu vienu fāzi līdz 10 A. Izstrādājumam ir trīs skavu tipa strāvas mērītāji līdz 120 A katrā fāzē. Ierīce rāda patēriņu, kas summēts visām trim fāzēm.
Ierīcei ir nepieciešams WiFi interneta savienojums un pieslēgums elektrotīklam. Skatiet arī uzstādīšanas norādījumus.
Vairāk informācijas par automātisko slēdžiem 3EM var atrast šeit.
![]()
Samaziniet oglekļa dioksīda emisijas un pelniet naudu par elastīgu elektroenerģijas patēriņu.









